info@mehprivod.ru
ООО Мехтехника
Тел.: 8 (800) 505-36-88

Мотор-редукторы планетарные МРВ-02, МРВ-04

Мотор-редукторы планетарные МРВ-02, МРВ-04

Малогабаритные промышленные мотор-редукторы планетарного типа МРВ-02, МРВ-04 предназначены для эксплуатации в химической промышленности в качестве устройств перемешивания. Допускается вращение выходного вала в любом направлении без потери скорости и крутящем моменте. Температурный режим при стандартной смазке от –40°C до +50°С. Допускается эксплуатация в условиях повышенной запыленности без содержания агрессивных веществ в пространстве. Зависимости от необходимых характеристик планетарный мотор-редуктор может комплектоваться электродвигателями различной мощности. При соблюдении требований эксплуатации регулярное обслуживание агрегата не требуется.

Цена: от 67 100 руб.

Пример условного обозначения при заказе:

Мотор-редуктор МРВ 02-16-0,25/85 4А63А4 УЗ

Мотор-редуктор типа МРВ 02, с передаточным числом 16, мощностью электродвигателя 0,25 кВт, фактической частотой вращения тихоходного вала 85 об/мин, электродвигателем 4A63А4, климатического исполнения  У, категорией размещения 3.

Общее описание:

Типоразмер мотор-редуктора

Передаточное число

Частота вращения выходного вала, об/мин

Крутящий момент на выходном валу, Н*м

Электродвигатель

Масса мотор-редуктора, кг

типоразмер

Мощность, кВт

Масса, кг

МРВ02-0,75 / 355

4

355

20

АИР71В4

0,75

15,7

20

МРВ02-0,75 / 280

5,14

280

25

МРВ02-0,75 / 180

7,7

180

38

МРВ02-0,25 / 85

16

85

27

АИР63А4

0,25

6,1

12

МРВ02-0,25 / 56

26,42

56

40

МРВ02-0,12 / 25

26,42

25

44

АИР56А4

0,12

4,3

10

МРВ04-0,75 / 85

16

85

80

АИР71В4

0,75

15,7

26

МРВ04-0,75 / 56

25,2

56

124

МРВ04-0,25 / 37,5

39,6

37,5

62

АИР63А4

0,25

6,1

16

МРВ04-0,25 / 25

59,44

25

92

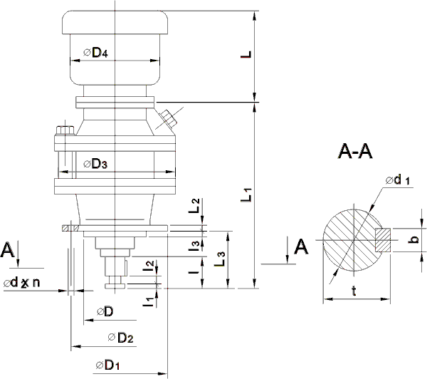
Мотор-редукторы МРВ-02, МРВ-04

Габарит

L, мм

D4, мм

Масса, кг

4А56А4

170

120

4,3

4А63А4

220

130

6,1

4A71A4

245

200

15,7

4A71B4

245

200

15,7

В63А4

245

160

20

В71B4

265

200

23

ТАБЛ 1. Габаритные размеры комплектующих электродвигателей

Размеры, мм

МРВ 02
одноступенчатый

МРВ 02
двухступенчатый

МРВ 04

D

80h9

80h9

110h9

D1

130

130

175

D2

110

110

150

D3

152

152

205

l

33

33

45

l1

2

2

2

l2

3

3

3

l3

5

5

6

L1max

160

208

244

L2

9

9

10

L3

60

60

80

d1

18K6

18K6

22К6

t

20,5

20,5

24,5

b

6h9

6h9

6h9

d2

11

11

11

n

3

3

4

Масса без электродви­гателя, кг

5,6

5,6

11,3

ТАБЛ 2. Габаритные размеры комплектующих электродвигателей